Рядовой отечественный потребитель, желающий сэкономить, но оплате коммунальных услуг, особенно в современных условиях, всегда готов выложить энную сумму для приобретения устройств, которые что-либо экономят в быту. На этом стремлении построен маркетинг ряда торговых фирм. В течении года—двух на телевидении и в сети Интернет широко рекламируют, так называемые, «статические преобразователи». Одно из таких устройств SmartBoy SP-001 было приобретено моим товарищем за 299 грн. (38 USD). После безуспешной попытки в течение нескольких месяцев сэкономить, как написано в паспорте, от 5 до 30% ежемесячных расходов по оплате электроэнергии, SmartBoy SP-001 был отдан мне на «растерзание» с естественным вопросом: «Что это такое, и стоит ли оно этих денег?». Результаты и анализ этих исследований читайте в этой статье.
Знакомство с устройством я начал с паспорта. Кстати, всю эту информацию можно найти и на сайтах продавцов [1-4]. Из него следует, что производитель из КНР выпускает кроме SP-001 еще четыре модели однофазных «статических преобразователей» под маркой SmartBoy, что в переводе с английского означает умный (или остроумный) мальчик. Все эти аппараты рассчитаны на сеть переменного тока частотой 50...60 Гц и напряжением 90...240 В. Рабочая температура -50...+60°С при влажности не более 85%. Настораживает, что рабочая высота (над уровнем моря) не более 2000 метров. Ну, да ладно, мы живем заметно ниже. Все из представленных в паспорте приборов различаются только максимальной допустимой нагрузкой. Так SP-001 имеет «максимальную допустимую нагрузку» 5000 Вт, SP-002 - 8000 Вт, SP-003 - 12000 Вт, SP-004 - 15000 Вт, a SD-001 - 19000 Вт.
Из всего этого у нас есть в наличии самый маломощный прибор SP-001 (рис.1 и рис.2). Его и будем изучать. А пока читаем паспорт прибора дальше.

Рис.1

Рис.2
«Статические преобразователи SmartBoy - это интеллектуальные электронные энергосберегающие устройства, позволяющие любому потребителю электричества экономить от 5 до 30% ежемесячных расходов по оплате электроэнергии».
Прекрасно! Особо привлекает, что устройства интеллектуальные.
«Экономия электроэнергии достигается за счет совершенствования и нормализации структуры электрического потока, компенсации реактивной мощности, сокращения вредных гармоник и сокращения потерь на сопротивление, устранения скачков напряжения в сети».
А здесь сразу возникло несколько вопросов по используемой терминологии.
Что такое «структура электрического потока»? О какой «нормализации» и совершенствовании» идет речь? Как понять, что такое «сокращение потерь на сопротивление»?
Ответ прост. Все это рекламное околонаучное словоблудие.
А вот «компенсацию реактивной мощности» возьмем на заметку.
Далее: «Для рационального использования данного оборудования его необходимо установить в первую (ближайшую) розетку от счетчика. Это позволяет определить все напряжение до счетчиков и соответственно регулировать коэффициенты мощности. При включении прибора светятся светодиоды».
Так и сделаем. Два зеленных светодиода диаметром 3 мм действительно светятся.
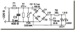
Перед испытанием SP-001 было решено прибор вскрыть (рис.3) и срисовать его принципиальную схему. Она оказалась довольно проста. Несколько смущал нас
черный не разбирающийся параллелепипед без надписей с двумя выходящими из него проводниками черного цвета. Уж очень он напоминает конденсатор. Тем более включен он через предохранитель параллельно сетевой вилке. Мы решили измерить его емкость с помощью прибора UT603 UNI-T. Оказалось, что это и есть конденсатор емкостью 5 мкФ. Скорее всего, его рабочее напряжение 400...450 В. В этом конденсаторе и вся суть этого устройства. По монтажу была восстановлена принципиальная схема SP-001. Она изображена на рис.4.

Рис.3

Рис.4
Конденсатор, о котором шла речь выше, имеет позиционный номер СЗ, параллельно ему включен разрядный резистор R1 и защитный варистор YVR. Конденсатор С2 работает как баластный для мостового выпрямителя Dl -D4. С1 -конденсатор фильтра питания. R2 - ограничивающий резистор в цепи питания светодиодов LED1 и LED2.
Проведем простейшее исследование работы устройства SP-001. Для этого вооружимся мультиметрами MY-64, DT-830B, токоизмерительными клещами DE-3103, а для измерения активной потребленной энергии будем использовать установленные квартирные счетчики типов СОЕ-5028МНВ (производство киевской фирмы «Росток») и старый советский СО-И449.
Проведем несколько экспериментов
Отключаем в квартире все потребители и измеряем напряжение сети. Результат 224 В. Теперь включаем в первую розетку от счетчика исследуемое устройство SP-001. Напряжение сети увеличилось почти на 2 В. Повторное выключение и включение дало тот же результат. Объяснение этого феномена см. ниже.
2. Отключив SP-001, включим конфорку кухонной электроплиты мощностью 2 кВт и дадим ей прогреться. С помощью токоизмерительных клещей измеряем ток возле счетчика. Показание амперметра 8,92 А. Младший четвертый разряд показаний прибора прыгает в пределах 0...4 и его не учитывали. Подключаем SP-001. Показания амперметра и скорость вращения диска счетчика СО-И449 не изменились. Экономии электроэнергии нет. Увеличим нагрузку вдвое, включив вторую двухкиловаттную конфорку. Ток и скорость вращения диска счетчика увеличились вдвое и при включении-отключении SP-001 не меняются.
3. Хотелось бы проверить, как SP-001 работает с индуктивной нагрузкой. Для этого выключаем плиту, отключаем SP-001 и включаем стиральную машину ARDO-10ОО в режиме отжима. Ток, измеряемый цифровыми клещами, равен 3,1 2 А. Подключаем SP-001, и ток снижается почти в два раза до 1,65 А. Наблюдавшие за нашей возней, женщины громко радуются: «Вот она ЭКОНОМИЯ». Но диск счетчика никак не среагировал на наши манипуляции с подключением-отключением SP-001, он вращается с одинаковой скоростью, а значит, потребление электроэнергии не уменьшилось.
Что за фокус, ток в цепи заметно уменьшился, о потребление электроэнергии нет?
Для ответа на этот и предыдущие вопросы вспомним, что основой SP-001 является конденсатор емкостью 5 мкФ.

Рис.5
Рассмотрим сначала, как ведет себя этот конденсатор, если включить его в розетку при отключенных потребителях в квартире (эксперимент 1). Из курса электротехники известно, что ток в цепи с емкостью (Ic) опережает напряжение (Uceти) на 90° (рис.5). На проводах внутренней проводки от счетчика к первой розетке, в которую включен SP-001, этот ток создает маленькое падение напряжения (Uпровод) которое совпадает с ним по фазе. Оно векторно складывается с напряжением сети, увеличивая показание прибора (Uобщ)

Рис.6
Перейдем теперь к третьему эксперименту. Он состоит из двух опытов. В первом из них в сеть включена только стиральная машина, двигатель которой имеет как активное, так и индуктивное сопротивление. Ток через активное сопротивление (Іактивн) совпадает по фазе с напряжением сети (рис.6), а ток через индуктивное (IL) — отстает от него на 90°. Векторную сумму этих токов Iобщ) и показывают токоизмерительные клещи
При подключении SP-001 в цепи дополнительно появляется емкостное сопротивление (см. векторную диаграмму рис.7).
Ток через емкость этого устройства будет опережать напряжение сети на 90° и будет в противофазе току через индуктивное сопротивление стиральной машины. Результирующий реактивный ток (IL-C) заметно уменьшается. Общий ток в цепи (Iобщ) который показывают клещи, - это векторная сумма активной (Іактив) и реактивной составляющих (IL-C) тока в цепи. Сравните результаты двух последних опытов по рис.6 и рис.7, из которых следует, что общий ток в цепи с индуктивностью при добавлении компенсирующей емкости заметно уменьшается. Почему же счетчик не фиксирует уменьшение потребления электроэнергии?

Рис.7
Ответ прост. Счетчик СО-И449 фиксирует потребление только активной энергии, а реактивная составляющая - это, просто, перераспределение энергии. Суть его в том, что в какую-то часть периода идет потребление энергии от сети, а затем полный ее возврат.
Эти эксперименты были повторены в другой квартире с бездисковым электронным счетчиком электроэнергии СОЕ-5028МНВ (фирмы «Росток»). Результат тот же. Да это и понятно. Все бытовые счетчики учитывают только активную (реально потребленную) энергию.
Зачем же проводились эксперименты
во второй квартире с современным счетчиком?
Дело в том, что существует версия, что «статические преобразователи» - это, среди прочего, «отматыватели» показаний счетчика. Все проведенные эксперименты показали, что SP-001 таковым не является. Ни старые советские, ни современные электронные счетчики на него просто не реагируют.
Интереса ради, автором статьи была собрана батарея из пяти конденсаторов KNB1530 1 мкФ ± 10% на 275 В переменного напряжения, которые оказались под рукой. Подключая ее вместо SP-001, провели те же эксперименты. Результат аналогичный, а цена комплектующих, при этом, не превышает 2 USD (вместо 38 USD.).
Судя по проведенным экспериментам, «интеллектуальные электронные энергосберегающие устройства» представляют собой примитивные емкостные компенсаторы реактивной мощности. Красивый корпус и светодиоды -это антураж для непосвященных. Никакой выгоды от их применения в быту нет.
Просмотрел Интернет и нашел, что подобных устройств множество. На странице 15 темы «Помогите» на форуме электротехнического Интернет-портала «Элек.ру» [5] нашел весьма качественные фотографии подобного устройства под названием SD-001, торговой марки КЭТ, которые сделал Евгений Фатенков (рис.8 и рис.9). Легко заметить, что этот «интеллектуальный статический преобразователь» - «родной брат» рассмотренного выше SP-001.

Рис.8

Рис.9
Дополнительную информацию о подобных устройствах можно найти в статьях Л. Лермана «Осторожно -«энергосберегатели»! [7] и» Ещё раз об «энергосберегателях» [8], которые были напечатаны в журнале «Электротехнический рынок».
Ссылки
www.smartboy.com.ua
www.smartboy.ru
http://www.energo-light.ru/product.html
http://elektrosave.ru./index.php?categorylD=79
http://www.elec.ru/forum/forum8/thread1695/ page 15.html - стр. 15 темы Помогите на форуме электротехнического интернет-портала «Элек.ру»
http://market.elec.ru/nomer/29/ostorozhno-energos-beregaleli/ - статья «Осторожно - «энергосберегатели»!
http://market.elec.ru/nomer/30/eshyo-raz-ob-ener-gosberegatelyah/ - статья «Ещё раз об «энергосберегателях»
автор статьи Игорь Безверхний, г. Киев