среда, 12 декабря 2012 г.

РЕГУЛИРОВАНИЕ НАПРЯЖЕНИЯ

В продолжение темы о качестве электроэнергии приведу немного способов регулирования напряжения.

Способы регулирования напряжения в систе­мах электроснабжения промышленных предприя­тий можно классифицировать следующим образом

а) Регулирование на шинах электростанций и п/станций

На шинах электростанций изменением тока воз­буждения генераторов повышают напряжения в часы максимума нагрузки и снижают в часы мини­мума нагрузок.

Регулирование напряжения на шинах понизи­тельной п/ст 6-10 кВ может осуществляться при помощи трансформаторов, статистических конден­саторов, синхронных компенсаторов и т.д.

б)        Регулирование на отходящих линиях

Индивидуальное регулирование напряжения на каждой отходящей от шин п/ст линии является эффективным способом. В этом случае могут быть использованы трансформаторы с РНП, ВДТ и кон­денсаторы для продольной компенсации.

в)        Совместное регулирование напряжения включает в себя первый и второй способы регули­рования

г)         Дополнительное регулирование напряжения применяется в том случае, когда не удается обес­печить требуемое качество напряжения у некото­рой части потребителей электроэнергии.

д)        Регулирование изменением схемы электро­снабжения

В схеме электроснабжения осуществляют мероприятия позволяющие изменить величину и направление реактивной мощности и сопротивле­ния отдельных участков, в результате чего изме­няются уровни напряжения в отдельных точках сети.

Для поддержания уровней напряжения в до­пустимых пределах используют различные методы, которые можно разделить на две группы: не тре­бующие затрат на установку специальных регули­рующих устройств и связанные с установкой таких устройств.

Первая группа мероприятий включает в себя:

1. Рациональное построение системы элект­роснабжения (применение повышенного напряже­ния для линий, питающих предприятие, примене­ние глубоких вводов, трансформаторов с опти­мальным коэффициентом загрузки, токопроводов для распределительных сетей и т.д.)

2. Правильный выбор ответвлений обмоток у трансформаторов, имеющих устройство переклю­чения обмоток без возбуждения (ПБВ).

3. Использование перемычек на напряжение до 1 кВ между цеховыми трансформаторами.

4. Снижение сопротивления системы внутри­заводского электроснабжения включением на па­раллельную работу трансформаторов ГПП.

5. Регулирование напряжения генераторов собственных источников питания предприятия.

6. Использование регулировочных возможно­стей синхронных электродвигателей.

Ко второй группе мероприятий по регу­лированию напряжения относятся:

1. Установка на ГПП трансформаторов, име­ющих устройство регулирования напряжения под нагрузкой (РНП).

2. Применение компенсирующих устройств.

3. Применение специальных регуляторов на­пряжения.

СРЕДСТВА РЕГУЛИРОВАНИЯ НАПРЯЖЕ­НИЯ В СЕТЯХ ПРОМЫШЛЕННЫХ ПРЕДПРИЯ­ТИЙ

Анализ средств регулирования напряжения удобнее всего провести из рассмотрения общей формулы напряжения у электроприемников U2 в зависимости от напряжения генератора U1, доба­вочного напряжения Uдоб, создаваемого регулиру­ющими устройствами, и потери напряжения, обус­ловленной активной нагрузкой PM, реактивной QM, активным сопротивлением сети R и реактивным XL.

image017

1. Регулирование напряжения генераторов.

2. Изменение коэффициента трансформации трансформаторов.

3. Вольтодобавочные трансформаторы.

схема регулируемых трансформаторов с шестью ступенями регулирования

Рис. 1. Схема регулируемых трансформаторов с шестью ступенями регулирования.

1— трансформатор; 2—переключатель ответв­лений; 3—рабочий контакт переключателя; 4—вспо­могательный контакт; 5—неподвижный контакт; 6— редуктор привода; 7 — электродвигатели привода; 8— система автоматического управления; 9 — транс­форматор напряжения типа ТСМАН-630/35; 10 — соединительные провода; 11 — обмотка низшего на­пряжения; 12 — обмотка высшего напряжения.

4. Линейные регуляторы (трансформаторы).

5. Индукционные регуляторы или потенциал регуляторы.

6. Бесконтактные автоматические регуляторы напряжения.

7. Синхронные двигатели.

8. Параллельно включенные конденсаторные батареи.

9. Синхронные компенсаторы.

10. Компенсирующие преобразователи.

11. Статические источники реактивной мощ­ности.

12. Сети с минимальным реактивным сопро­тивлением.

13. Продольная компенсация.

14. Сдвоенные реакторы.

Рассмотрим некоторые из технических средств регулирования напряжения.

Трансформаторы с регулированием на­пряжения под нагрузкой

Регулировочные ответвления располагаются обычно в обмотке высшего напряжения. В зависи­мости от величины мощности и напряжения, регу­лируемые трансформаторы имеют различные схе­мы соединения обмоток и диапазоны регулирова­ния.

На рис. 1 показана схема включения обмоток и переключателей ответвления для трансформа­торов напряжением 35, 10, 6 кВ мощностью от 60 до 630 кВА. Регулирование напряжения осуществ­ляется в пределах [4(+2,5) и 2(-2,5)]%.

Переключатель приводится в действие от элек­тродвигателя. Переключение ответвлений обычно автоматизировано.

На ГПП устанавливаются трансформаторы с переключающими устройствами, имеющими боль­шое число ступеней и размещенными в отдельном баке. Так, для трансформатора типа ТМН мощно­стью 5,6 МВА напряжением 35/10 кВ применяют переключатели типа РНТ-9 с реактором с восе­мью ступенями по 2,5% или более совершенные переключатели с мелкими ступенями регулирова­ния по 1,5% .

Схема многоступенчатого регулирова­ния напряжения трансформаторов

Рис. 2. Схема многоступенчатого регулирова­ния напряжения трансформаторов.

УСТАНОВКИ ПРОДОЛЬНОЙ КОМПЕНСАЦИИ (УПК)

Принцип действия УПК поясняет векторная диаграмма:

устройство продольной компенсации

а) без конденсаторов; б) при включении трансформаторов.

При наличии в сети только активного R1 и ин­дуктивного XL сопротивлений напряжения U2 умень­шается за счет падения напряжений - активного I2R1 и индуктивного I2ХL. В этом случае U2<U1, DU=U1-U2>0.

При включении емкостного сопротивления XC получается третье падение напряжения I2Xc, на­правленное противоположно I2Xc* I2XL может быть подобрана таким образом, что вектор U2 будет равен вектору U1 или даже больше его, т.е. dU=0 или dU<0.

Величина Xc выбирается в зависимости от потери напряжения без УПК dU%, допустимой потери напряжения dUдoп%, номинального напря­жения Uн, тока нагрузки Im и sinф2

image021

Достоинства УПК:

1. автоматическое регулирование напряжения;

2. при одинаковом регулирующем эффекте мощность конденсаторов УПК получается в 4-6 раз меньше, чем мощность КБ при поперечной ком­пенсации;

3. применение конденсаторов, рассчитанных только на перепад напряжения IXc.

Недостатки УПК:

1. возможность появления резонансных явле­ний;

2. недопустимость сквозных токов к.з.;

3. повышение уровня токов к.з.

ВОЛЬТОДОБАВОЧНЫЕ ТРАНСФОРМАТОРЫ

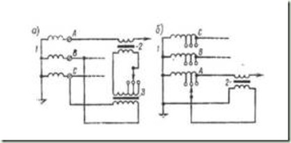
Вольтодобавочные трансформаторы имеют одну обмотку, включенную последовательно с линией, в которой регулируется напряжение. Эта обмотка получает питание от вспомогательного трансформатора, первичная обмотка которого питается от сети или постороннего источника тока. На рис. а показана принципиальная схема ВДТ:

схема вольтодобавочного трансформатора

Рис. а

- основной трансформатор;

- последовательный трансформатор;

- регулировочный трансформатор.

Здесь к возбуждающей обмотке вольтодобавочного трансформатора подводится напряжение, сдвинутое по фазе на 90o по отношению к напря­жению данной фазы. Так, для создания добавоч­ного напряжения Ерег в фазе А к возбуждающей обмотке этой фазы подводят линейное напряже­ние UBC.

Тогда вектор добавочного напряжения Ерег бу­дет перпендикулярен вектору фазного напряжения UA1, а вектор напряжения на выходе регулятора UA2, будет сдвинут на угол a, по отношению к век­тору UA1. При этом угол a может быть как опережа­ющим, так и отстающим.

Такой способ регулирования называется по­перечным регулированием.

Схема продольного вида регулирования на­пряжения показана на рис. б.

Схема продольного вида регулирования на­пряжения

Схема продольного вида регулирования на­пряжения

Рис. б

При продольном регулировании к каждой фазе возбуждающего трансформатора подводится на­пряжение той же фазы. Тогда вектор добавочного напряжения Ерег будет совпадать по фазе с векто­ром UA1, а вектор напряжения на выходе регуля­тора UA2 ,будет равен алгебраической сумме векторов UА1 и Ерег.

Комментариев нет:

Отправить комментарий